搜索關鍵字:
全國服務熱線

400-839-1983
法拉第感應定律(指的是當導體通過磁場時會在導體內部產生感應電勢)即為電磁流量計測量的基礎原理。這種測量原理可應用于具有導電性的流體,該流體流入磁場垂直于流體方向的管道,在流體中感應生成的電勢可利用對稱布置的兩個電極進行測量。信號電壓UE與磁感應強度B,電極間距D以及流體平均速度V成正比。由于磁感應強度B與電極間距D為常量,所以信號電壓UE與平均流速成V正比。用于計算體積流速的等式表明信號電壓UE與體積流量成線性正比。感應的信號電壓被轉化為轉換器中的分度,模擬以及數字輸出信號。
| 電極材料 | 耐蝕及耐磨性能 |
| 不銹鋼0Crl8Nil2M02Ti | 用于工業用水、生活用水、污水等具有弱腐蝕性的介質,適用于石油、化工、鋼鐵等工業部門及,市政、環保等領域。 |
| 哈氏合金B | 對沸點以下的一切濃度的鹽酸有良好的耐蝕性,也耐硫酸、磷酸、氫氟酸、有機酸等非氯化性酸、堿,非氧化性鹽液的腐蝕。 |
| 哈氏合金C | 能耐非氧化性酸,如硝酸、混酸、或鉻酸與硫酸的混合介質的腐蝕,也耐氧化性鹽類如:Fe,"、、Cu"下或含其他氧化劑的腐蝕,如高于常溫的次氯酸鹽溶液、海水的腐蝕 |
| 鈦 | 能耐海水、各種氯化物和次氯酸鹽、氧化性酸包括發煙硫酸、有機酸、堿的腐蝕。不耐較純的還原性酸如硫酸、鹽酸的腐蝕,但如酸中含有氧化劑如硝酸、Fc++、Cu++時,則腐蝕大為降低。 |
| 鉭 | 具有優良的耐蝕性和玻璃很相似。除了氫氟酸、發煙硫酸、堿外,幾乎能耐一切化學介質包括沸點的鹽酸、硝酸和l 50℃以下的硫酸的腐蝕。在堿中刁;耐蝕。 |
| 鉑/鈦合金 | 幾乎能耐一切化學介質,但不適用于水和銨鹽。 |
| 不銹鋼涂覆碳化鎢 | 用于無腐蝕性,強磨損性的介質。 |
| 注: 由于介質種類繁多,其腐蝕性又受溫度、濃度、流速等復雜因素影響而變化,故本表僅供參考。用戶應根據實際情況自己做出選擇,必要時應做擬選材料的耐腐試驗,如掛片試驗。 | |
安裝
安裝環境的選擇
①應盡量遠離具有強電磁場的設備,如大電機、大變壓器等。
②安裝場所不應有強烈的震動,管道固定牢靠。環境溫度應變化不大。
③安裝環境應便于安裝和維護。
安裝位置的選擇
①安裝位置保證管道內始終充滿被測流體。
②選擇流體流動脈沖小的地方。即應遠離泵和閥門、彎頭等局部阻力件。
③測量雙相(固、液或氣、液)流體時,應選擇不易引起相分離的地方。
④應避免測量部位出現負壓。
⑤被側管道直徑或周長容易測量,并且橢圓度應較小。 B、兩極間距離 L 和流體的平均流速呈正比。
直管段長度
傳感器安裝管道上游側直管段長度應大于或等于10D,下游側應不小于 5D。D 為被測管道通徑。
流量控制閥門和調節閥門
流量控制閥門應安裝在傳感器上游側的被測管道上,流量調節閥門應安裝在傳感器下游側。測量時,通常流量控制閥門應處于全開狀態。
安裝底座的焊接
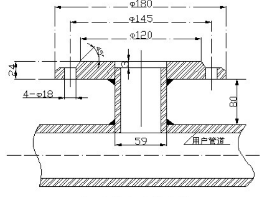
安裝底座與被測管道的焊接焊接的技術要求如下:
①安裝底座 63 管子的軸線與被測管道的軸線相互垂直。其夾角為
②采用不銹鋼焊條平焊。焊后保證法蘭端面與管軸線平行,焊縫牢固,能承受 1.6Mpa 壓力無滲漏現象。
③被測管道開孔尺寸與安裝底座的通孔外徑一致。
公司生產加工設備齊全,電子車間擁有一條現代化SMT流水線,擁有完善的電子設計、開發實驗室。機械車間擁有多臺精密數控車床、普通車床、加工、全自動環縫焊機、鉆床等設備,標定車間擁有兩條液體標定測試線,一條中小流量氣體標定測試線,保證每臺產品均經實際標定、校驗,以確保產品品質。
保用期內供需雙方應負責任
1. 在倉庫存放時,應放在干燥、通風、無腐蝕性氣體的地方,環境溫度在 0-40℃范圍及相對濕度小于 85%的場所。
2. 本廠對產品實行三包,保用期為一年(從出廠之日算起)。在保用期內,用戶遵守產品使用、保管和運輸規定的條件下,產品如有質量問題,本廠負責免費修理或更換。




